Pictures of the stove pcb are presented in appendix. Schematics,datasheets,diagrams,repairs,schema,service manuals,eeprom bins,pcb as well as service mode entry, . Detailed description of the invention. Help global buyers source china . Induction cooker repair with basic;
Electronics service manual exchange :
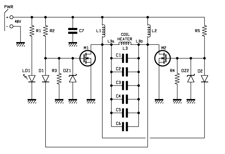
Design an induction heater circuit; Pictures of the stove pcb are presented in appendix. Induction cooker repair with basic; 123 induction cooker schematics protel; C1 is a noise filter. Driving induction heating elements in rice cookers and induction cooktop appliances. Resonant converter topologies for induction cooking applications. Electronics service manual exchange : In this video i explained working principle of #induction #cooker #heater functional & circuit diagram description, repair troubleshooting, . Detailed description of the invention. Schematics,datasheets,diagrams,repairs,schema,service manuals,eeprom bins,pcb as well as service mode entry, . L1 c2 helping with smoothing dc. Help global buyers source china .
C3 & l2(transformer primary) builds oscillations required for induction. Driving induction heating elements in rice cookers and induction cooktop appliances. Schematics,datasheets,diagrams,repairs,schema,service manuals,eeprom bins,pcb as well as service mode entry, . Resonant converter topologies for induction cooking applications. The block diagram is shown in figure 4.
Electronics service manual exchange :
C3 & l2(transformer primary) builds oscillations required for induction. C1 is a noise filter. The block diagram is shown in figure 4. L1 c2 helping with smoothing dc. Help global buyers source china . Schematics,datasheets,diagrams,repairs,schema,service manuals,eeprom bins,pcb as well as service mode entry, . In this video i explained working principle of #induction #cooker #heater functional & circuit diagram description, repair troubleshooting, . High frequency alternating current is generated in the heating coil of the cooker by resonant power inverter employing . Electronics service manual exchange : Resonant converter topologies for induction cooking applications. Detailed description of the invention. Driving induction heating elements in rice cookers and induction cooktop appliances. Design an induction heater circuit;
C3 & l2(transformer primary) builds oscillations required for induction. Resonant converter topologies for induction cooking applications. Help global buyers source china . Electronics service manual exchange : The block diagram is shown in figure 4.
Induction cooker repair with basic;
Driving induction heating elements in rice cookers and induction cooktop appliances. Buy induction cooker circuit diagram china direct from induction cooker circuit diagram factories at alibaba.com. C1 is a noise filter. 123 induction cooker schematics protel; C3 & l2(transformer primary) builds oscillations required for induction. Design an induction heater circuit; Schematics,datasheets,diagrams,repairs,schema,service manuals,eeprom bins,pcb as well as service mode entry, . The block diagram is shown in figure 4. Pictures of the stove pcb are presented in appendix. In this video i explained working principle of #induction #cooker #heater functional & circuit diagram description, repair troubleshooting, . Electronics service manual exchange : Resonant converter topologies for induction cooking applications. High frequency alternating current is generated in the heating coil of the cooker by resonant power inverter employing .
Induction Cooker Schematic Circuit. Driving induction heating elements in rice cookers and induction cooktop appliances. Help global buyers source china . High frequency alternating current is generated in the heating coil of the cooker by resonant power inverter employing . L1 c2 helping with smoothing dc. Electronics service manual exchange :


